IVIX60 con Freno
 
IVIX60 0400BX200X H-S200

IVIX60 0400BX200X H-S200

Codice Prodotto: IVIX600400BX200XH-S200
Dati tecnici Download Dimensioni Combinazioni Software Accessori
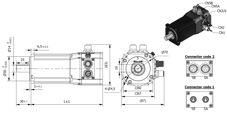
Size60 mmLength (L)182 mm
InterfaceEthernet IP Rated Power400 Watt
Rated Torque1.27 NmRated Current12 A
Rated Voltage48 Vdcn° of Pole10
Rated Speed3000 rpmMax. Peak Torque3.81 Nm
Torque Constant0.107 Nm/AMax. Peak Current36 A
No-Load Current<1 mABack EMF constant6.5 V/kRPM
Rotor Inertia250 gcm2Brake24VDC - 1,5Nm
Weight2.17 KgShaft run out0.02 mm
Insulation ClassF 155°C Protection ClassIP65
Operating Temperature+5°C to +40°C Humidity5% to 85% not condensing
Radial Play (450g load)0.02 mmAxial Play (450g load)0.14 mm
Max. Radial force (at mid-shaft)245 NMax. Axial Force98 N
Dielectric Strength (for 1min.)600 VACInsulation Resistance (min.500 VDC)100 Mohm
Operating modePosition, Speed, Torque Encoder Type - StandardMagnetic Incremental 2500 CPR
Encoder Type - OptionalMagnetic Absolute Multiturn (BiSS): 17bit, 16bit Protective functionsOver/Under voltage, Over current, Overheating, Short circuit
Safety featureSafe Torque Off (STO) SIL3/PLe Debug & configurationSerial interface
Digital Inputs4 not isolated 5-24 Vdc PNP Analog Inputs2 not isolated | 0-10 Vdc
Digital Outputs2 not isolated 24 Vdc PNP
Ha bisogno di aiuto?
Parli con i nostri esperti



Contattaci
Switzerland - Global HQ


Via Prè d’là, 1
CH-6814 Lamone, Switzerland
Phone: +41 (0)91 612 85 00
Fax: +41 (0)91 612 85 19
E-mail: info@delta-line.com
USA


Delta Line North America, Inc
4600 South Syracuse, 9th Floor
Denver, CO 80237, USA
Phone: +1 303 256 6212
E-mail: infous@delta-line.com
China


Changzhou Delta Line Trade
Company Limited,
414 Building 1,
FuChen HuaYuan
New North District Changzhou,
Jiangsu, China
Follow

© 2020 All rights reserved| Privacy & cookie Policy | Legal Notes
Powered by Ico Computer| Sitemap